Автоматические выключатели предназначены для защиты электрических установок от недопустимых перегрузок и токов короткого замыкания, а также для нечастой коммутации при нормальных условиях работы.
1. Принцип действия и устройство автоматов
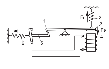
По принципу действия автоматический воздушный выключатель (автомат) представляет собой первичное реле прямого действия (рис. 1). За счет усилия Fп, создаваемого пружиной 2, автомат удерживается во включенном состоянии защелкой 1. Ток защищаемого участка, протекая по обмотке электромагнита 4, создает усилие Fэ, которое стремится притянуть якорь 3 к электромагниту. Если ток в обмотке электромагнита достигает значения, при котором усилие Fэ становится больше силы Fп, то якорь 3, притянувшись к электромагниту, повернет защелку и освободит рычаг 5. Под действием пружины 6 произойдет размыкание контактов.
Устройство, воздействующее на защелку автомата, называется расцепителем. В зависимости от исполнения автомат может быть укомплектован одним или несколькими типами расцепителей: электромагнитными, тепловыми, дистанционными, нулевыми или комбинированными (тепловой с электромагнитным).
Контактная система автоматов снабжена дугогасительными камерами и рассчитана на отключение достаточно больших токов. Поэтому автоматы используются не только для коммутации электрической цепи в нормальных режимах, но и для защиты электроустановок при перегрузках и коротких замыканиях.
Применение автоматических выключателей вместо плавких предохранителей дает следующие преимущества. Во-первых, устраняется возможность работы электродвигателя в неполнофазном режиме, так как при перегрузках и коротких замыканиях отключаются сразу три фазы. Во-вторых, значительно снижаются простои электрооборудования, так как на
включение сработавшего автомата требуется меньше времени, чем на замену перегоревшего предохранителя.

Рис. 1. Принципиальная схема работы автомата: 1 — защелка; 2 — пружина; 3 — якорь; 4 — обмотка электромагнита; 5 — рычаг; 6 — отключающая пружина
И, наконец, в третьих, время-токовые характеристики защиты от перегрузок автоматов более соответствуют защищаемому электрооборудованию, чем время-токовые характеристики предохранителей.
Наибольшее распространение в электроустановках получили автоматы серий А3100, АП50 и АК63. В помещения с нормальными условиями среды (сухие отапливаемые, сухие неотапливаемые) указанные типы автоматических выключателей защищенного исполнения устанавливаются без дополнительных защитных устройств. Автоматы открытого исполнения должны устанавливаться в шкафах и ящиках. В сырых и особо сырых помещения с влажностью 100% должны применяться автоматы защищенного исполнения, а при наличии в воздухе еще и примесей аммиака — автоматы тропического исполнения.
В паспортных данных каждого типа автомата указывается значение его номинального тока, т.е. такого тока, при котором автомат может работать в течение неограниченного времени; приводятся данные о тепловых расцепителях, которыми комплектуется автомат, а также номинальный ток этих расцепителей. За номинальный ток теплового расцепителя принимается такой ток, длительное протекание которого не вызывает срабатывания. Если автомат снабжен электромагнитным расцепителем, настроенным в заводских условиях на определенный ток срабатывания, то в паспорте указывается также и этот ток — ток уставки расцепителя, т.е. такой наименьший ток, который, протекая по катушке расцепителя, заставляет его срабатывать. В соответствии с заводской настройкой в паспортах обычно приводятся кратности тока уставки электромагнитных расцепителей по отношению к соответствующему номинальному току.
Автоматы серии А3160 комплектуются тепловыми расцепителями с зависимой амперсекундной характеристикой: чем больший ток протекает через тепловой элемент, тем меньшее время будет находиться под повышенным током защищаемый элемент. Тепловые расцепители этой серии настраиваются так, чтобы при кратности тока 1,35 по отношению к номинальному току расцепителя тепловой элемент сработал в течение 2 ч. При больших кратностях время срабатывания соответственно уменьшается.
Автоматы А3110 и А3120 могут быть укомплектованы или электромагнитным расцепителем, срабатывающим без выдержки времени, или комбинированным, состоящим из теплового и электромагнитного элементов. Автомат с комбинированным расцепителем отключает с выдержкой времени токи перегрузок (при помощи теплового элемента), а токи коротких замыканий — без выдержки времени, с помощью электромагнитного элемента. Это позволяет широко использовать автоматы с такими расцепителями для защиты электродвигателей.
Автоматы каждого типа (А3110, А3120, А3160) имеют разные исполнения и по числу полюсов. Так, автоматы типа А3160 исполняются однополюсными (А3161), двухполюсными (А3162) и трехполюсными (А3163). Автоматы типа А3110 и А3120 выпускаются только в двухполюсном (А3113, А3123) или трехполюсном (А3114, А3124) исполнениях. Таким образом, в зависимости от исполнения автоматы даже одного типа могут иметь различную маркировку. Например, маркировка АП50-3Т означает, что автомат трехполюсный и снабжен тремя тепловыми расцепителями; АП50-2М3ТН — автомат укомплектован двумя электромагнитными расцепителями, тремя тепловыми расцепителями и одним расцепителем минимального напряжения.
Расцепитель минимального напряжения отключает автомат при снижении напряжения на 50% и ниже и разрешает включить его при напряжении сети не ниже 80% от номинального. По специальному заказу автоматы исполняют с расцепителем дистанционного отключения
Д или с максимальным расцепителем в нейтральном проводе 0. Автоматы без расцепителей обозначают АП50-2 или АП50-3 (соответственно двухи трехполюсные).
Устройство автоматического выключателя А3100 показано на рис. 2. Автомат А3100 состоит из следующих основных узлов: кожуха (основания с крышкой), контактной системы, дугогасительной камеры, расцепителя максимального тока и механизма управления автоматом.
Все узлы автомата смонтированы на пластмассовом основании 14 и закрыты пластмассовой крышкой 15, которая винтами крепится к основанию. Основание автомата и его крышка имеют ребра, позволяющие сблизить между собой фазы и тем самым уменьшить габариты автомата.
Контактная система автомата в каждой фазе содержит один неподвижный контакт 12 и один подвижный 17. Контакты изготовлены
из металлокерамической композиции на основе серебра и прикреплены к медным основаниям 13 и 18. Основания подвижных контактов соединены гибким токопроводом 5 с расцепителем максимального тока. Пружина 11, опираясь на контактодержатель 8, обеспечивает надежное нажатие контактов. Движение от механизма управления к контактам передается посредством изолированной траверсы 6.

Рис. 2. Разрез автомата типа А3100: 1 — возвратная пружина; 2 — якорь;3 — сердечник; 4 — токопровод; 5 — гибкий токопровод; 6 — траверса; 7 — пружина; 8 — контактодержатель; 9 и 10 — рычаги; 11 — плоская пружина; 12 — неподвижный контакт; 13 — основание контакта; 14 — основание; 15 — крышка; 16 — пластины дугогасительной камеры; 17 — подвижный контакт; 18 — основание подвижного контакта; 19 — рукоятка; 20 — рычаг; 21 — собачка расцепителя; 22 — отключающая рейка; 23 — биметаллическая пластинка; 24 — токопровод
Дугогасительная камера набрана из стальных пластин 16, которые расположены над контактами каждой фазы.
Расцепитель максимального тока объединяет тепловой и электромагнитный элементы. Тепловой элемент представляет собой биметаллическую пластинку 23, по которой проходит нагревающий ее ток, и двух проводников (токопроводов) 4 и
24. Электромагнитный элемент состоит из сердечника 3, якоря 2 и возвратной пружины 1. И тепловой, и электромагнитный элементы воздействуют на механизм свободного расцепления посредством отключающей рейки 22.
Механизм управления предназначен для быстрого замыкания и размыкания контактов, независимо от скорости движения рукоятки (при ручном управлении). Он состоит из рукоятки 19, рычагов 9, 10, 20, защелкивающей собачки 21 и пружины 7.
Наиболее широкое применение для пуска и защиты электродвигателей получили автоматы серии АП50 (рис. 3).
Корпус автомата выполнен из пластмассы и состоит из цоколя 2, на котором смонтированы все части автомата, и крышки 3, привинчиваемой винтами к цоколю. Кроме основного коммутирующего устройства, состоящего из неподвижных контактов 4, подвижных контактов 6 и дугогасительной камеры 5, автомат снабжается дополнительным устройством 1 с блок-контактами, которые используются в цепях управления. Гибкие связи 7 соединяют подвижные контакты 6 с тепловыми расцепителями 10, которые в свою очередь соединены с электромагнитными расцепителями 9.
Если в какой-либо фазе защищаемой цепи возникнет аварийный режим (перегрузка или короткое замыкание), срабатывает соответствующий расцепитель, поворачивая при этом отключающую рейку 8, общую для всех полюсов.

Рис. 3. Автомат АП50: а — вид сбоку, б — в разрезе: 1 — блок с дополнительными контактами; 2 — цоколь корпуса; 3 — крышка; 4 — неподвижные контакты; 5 — дугогасительная камера; 6 — подвижные контакты; 7 — гибкий проводник; 8 — отключающая рейка; 9 — электромагнитный расцепитель; 10 — тепловые расцепители
Под воздействием рейки срабатывает механизм свободного расцепления, представляющий собой систему рычагов и тяг, связанных с отключающей пружиной. При включении автомата эта пружина взводится и удерживается в заведенном состоянии. Если срабатывает расцепитель, то система рычагов, удерживающая раньше пружину, ломается и под действием освободившейся пружины автомат отключается (без вмешательства обслуживающего персонала), тем самым отключая поврежденный участок от источника питания.
Номинальный ток тепловых расцепителей автоматов АП50 можно регулировать поводком А в сторону уменьшения на 35—40%. Выбирая автомат для защиты электродвигателя, необходимо иметь в виду, что кратность срабатывания электромагнитного расцепителя должна быть равна 6—8. Если это условие не выполнить и использовать для защиты короткозамкнутого электродвигателя автомат с кратностью тока срабатывания электромагнитного элемента 3—4, то при пуске двигатель будет отключен от сети.
2. Автоматические выключатели серии АП50
· Номинальное напряжение 380 В переменного тока и 220 В постоянного тока.
· Номинальный ток 50 А.
Номинальный ток расцепителя, A
Кратность тока срабатывания теплового расцепителя, A
Пределы регулирования номинального тока уставки теплового расцепителя, A
Ток срабатывания электромагнитного расцепителя (отсечка), А

- В наличии

- +79097988372
- +79097988372
- Условия оплаты и доставки
- График работы
- Адрес и контакты
Автоматические выключатели А 3123 предназначены для многоразовой защиты электрических установок от перегрузок и коротких замыканий.
Компания Електросантех предлагает купить автомат А 3123 с гарантией и по доступной цене. Перед отправкой к покупателю, каждый автоматический выключатель А 3123 проходит дополнительное тестирование и проверку, что дает возможность исключить бракованный товар.
Удовлетворение потребностей наших клиентов и поставка качественного товара в кратчайшие сроки является главной задачей компании Електросантех.
Обозна-
чение типа (по исполь-
зованию)
Номи-
нальный ток, А
Род расце-
пителя
Номанал. ток расцеп., А
Установ. на ток мгновенн. срабат., А
Предел. коммутац. способ-
ность при 380 В, А
А3160
А3161
А3162
А3163
15. 20
25. 30
40. 50
A3110
А3113/1
А3114/1

- В наличии

- +79097988372
- +79097988372
- Условия оплаты и доставки
- График работы
- Адрес и контакты
Автоматические выключатели серии А предназначены для проведения тока в нормальном режиме и отключения тока при перегрузках и коротких замыканиях, нечастых оперативных коммутаций электрических цепей, а также для защиты электрических цепей при снижении напряжения до недопустимой величины.
Обозна-
чение типа (по исполь-
зованию)
Номи-
нальный ток, А
Род расце-
пителя
Номанал. ток расцеп., А
Установ. на ток мгновенн. срабат., А
Предел. коммутац. способ-
ность при 380 В, А
А3160
А3161
А3162
А3163
15. 20
25. 30
40. 50
A3110
А3113/1
А3114/1
А3110
А3113/5
А3114/5
A3120
А3123
А3124
IV
A3130
A3133
A3134
120; 150; 200
200
A3140
A3143
A3144
250; 300; 400; 500; 600
600
Автомат А-3100 состоит из следующих основных узлов:
- кожуха,
- коммутирующего устройства,
- дугогасительных камер,
- расцепителя максимального тока,
- механизма управления и зажимов для присоединения внешних проводов.
Кожух выполнен из пластмассы и состоит из основания, на котором смонтированы все части автомата, и крышки, привинчиваемой к основанию.
Коммутирующее устройство состоит из подвижных и неподвижных контактов. Держатели подвижных контактов соединены между собой изолированной траверсой, связанной с механизмом управления.
Коммутирующие контакты выполнены из специальных композиций на основе серебра, получаемых методом металлокерамики. Они не свариваются и устойчиво работают без ухода. Опиловка и зачистка контактов не рекомендуется даже в тех случаях, когда их поверхность становится неровной, с наплывами серебра. Необходимо следить только за толщиной металлокерамического слоя и провалом контактов. Если толщина слоя или провал станут менее 0,5 мм, автомат для дальнейшей работы не пригоден. Дугогасительные камеры расположены над контактами каждого полюса и действуют по принципу деионизации и дробления дуги стальными пластинками.
Расцепитель максимального тока расположен в нижней части автомата и его токовые элементы являются продолжением токоведущей системы автомата. Расцепитель максимального тока может быть:
- а) тепловым, срабатывающим с обратно зависимой от тока выдержкой времени при перегрузках и коротких замыканиях;
- б) электромагнитным, срабатывающим без выдержки времени при коротких замыканиях;
- в) комбинированным, срабатывающим с обратно зависимой от тока выдержкой времени при перегрузках и без выдержки при коротких замыканиях. Комбинированный расцепитель состоит из последовательно включенных тепловых и электромагнитных расцепителей.
Расцепители настраивают на определенный ток срабатывания на заводе-изготовителе, после чего опечатывают; в эксплуатации их не регулируют. Механизм управления автомата обеспечивает моментное замыкание и размыкание контактов, не зависящее от скорости движения рукоятки при ручном включении, а также моментное размыкание контактов с их отцеплением от рукоятки при отключении расцепителем максимального тока. Так как контакты закрыты кожухом, коммутационное положение автомата указывается положением рукоятки: во включенном положении она занимает крайнее верхнее положение, в отключенном — крайнее нижнее, а в отключенном расцепителем — промежуточное. После срабатывания теплового реле автомат можно включить лишь тогда, когда биметаллическая пластинка расцепителя остынет настолько, что освободит рейку расцепителя. Время остывания теплового элемента не превышает: для автоматов А-3160 и А-3110 — 1 мин, А-3120—2,5 мин, А-3130 — 3 мин.

