Содержание
Схема генератора высокой частоты, который вырабатывает сигналы в диапазоне от 10 до 50 МГц. Сигнал можно промодулировать по частоте подав НЧ напряжение от ГНЧ или микрофона. Девиация частоты зависит от величины этого напряжения ЗЧ. Если нужна девиация 50-100 кГц, то, при крайне верхнем .
Принципиальная схема самодельного генератора логических импульсов с частотой от 1 Гц до 10КГц, собран на микросхеме 4011 (К561ЛА7). При ремонте и налаживании схем на цифровых микросхемах может быть очень полезен генератор логических импульсов. В общем, это генератор прямоугольных импульсов .
Низкочастотный генератор синусоидального сигнала – очень важный прибор в лаборатории любого радиолюбителя.Возможно, такой уже есть у всех. Но все же хочу познакомить читателей журнала со своим генератором. Генератор выполнен в виде самостоятельного прибора, питающегося от электросети. Но шкала .
Простой самодельный генератор-пробник, с регулировкой выходной частоты от 100 Гц до 10000 Гц, выполнен на микросхеме К561ЛА7. Если нужно экспромтом проверить прохождение сигнала по аудиотракту многие корифеи пользуются собственным пальцем как генератором НЧ (50 Гц сетевых наводок), регулируя .
Принципиальная схема самодельного широкодиапазонного генератора синусоидального сигнала для лабораторных целей, выполнен на микросхеме МАХ038. Синусоидальный генератор является одним из важнейших приборов лаборатории радиолюбителя. Обычно делаютдва генератора, низкочастотный и высокочастотный .
Принципиальная схема простого генератора плавного диапазона на микросхеме HC4046, Частота до 50 MHz. Микросхема НС4046 (а так же аналогиMM74HC4046N, MJM74HC4046 и другие) представляет собой RC-генератор с ФАПЧ, способный генерировать стабильную частоту до 50 MHz, что позволяет сделать ГПД .
Приведена принципиальная схема низкочастотного генератора сигналов, который выполнен на ОУ КР140УД708. Низкочастотный генератор является одним из необходимейших приборов врадиолюбительской лаборатории. С его помощью можно налаживать различные усилители, снимать АЧХ, проводить эксперименты .
Для питания электронных часов, а возможно и другой аппаратуры производства США и некоторых других стран, необходимо напряжение со стабильной частотой 60 Гц При наличии кварцевого резонатора на частоту 1966 08 кГц получить его несложно (см., например, статью В. Полякова “Преобразователь .
Предлагаемая конструкция генератора может быть использована при настройке каскадов радиоприемников, различных аналоговых и цифровых устройств. Генератор формирует низкочастотные (НЧ) и высокочастотные (ВЧ) синусоидальные и прямоугольные колебания. Диапазон ВЧ колебаний 0,15. 1,6 МГц с плавной .
Формирователь содержит RC-триггер, собранный на логических элементах 2И-НЕ, интегрирующую цепь R1, R2, С1 и инвертор на транзисторе V1. При высоком логическом уровне на входе формирователя на выходе 1 появится высокий логический уровень, а на выходе 2 — низкий. При поступлении на вход .
| Сергей p-45 (at) mail.ru http://p-45.narod.ru/ |
Лаборатория радиолюбителя своими руками
О проекте
При настройке приемников (да и многих других устройств) часто требуется источник сигнала с требуемой и заранее известной частотой, часто для этого используется сигнал вещательных радиостанций, естественно это не совсем удобно. Желание купить сигнал-генератор было убито слишком большой ценой, и тогда возникла идея сделать такой генератор сигналов своими руками. В интернете встретилась страничка с сигнал-генератором из тв-тюнера (из телевизионного селектора каналов), к сожалению ни схемы, ни подробного описания там нет. Эксперименты с селекторами каналов фирмы SELTEKA подвигли на изготовление подобного устройства, получилось легко и очень быстро – генератор был сделан за 2 дня.
Основные характеристики сигнал-генератора
| Диапазон частот | 80 МГц – 900 МГц |
| Шаг перестройки по частоте | 50кГц 100кГц 250кГц 500кГц |
| Режим модуляции | Без модуляции, AM, NFM, WFM |
| Количество фиксированных частот | 16 |
| Напряжение питания | 7В – 9В |
| Потребляемый ток | 120 мА |
Конструкция
Внешний вид генератора:

Генератор размещен в пластмассовом корпусе G738 из магазина "Чип и Дип".
Вид без верхней крышки:
Конструктивно генератор как и приемник P-45 сделан на одной плате размером 100мм X 115мм из фольгинированного с двух сторон стеклотекстолита толщиной 1,5 мм. Печатная плата изготовлена методом "лазерного принтера и утюга".
- Файл с рисунком печатной платы для программы Sprint Layout 3.0
Травится только одна сторона платы – нижняя (сторона SMD деталей). Фольга с верхней стороны предстовляет собой сплошную "землю", которая в нескольких местах с помощью перемычек соединяется с "землеными" проводниками другой стороны (эти места отмечены красными кружочками). Отверстия для "нормальных" деталей со стороны сплошной "земли" зенкуются сверлом 2,5 мм или 3,0 мм.
Вид со стороны SMD элементов:
Большинство деталей используемых в генераторе – SMD элементы (элементы для поверхностного монтажа)
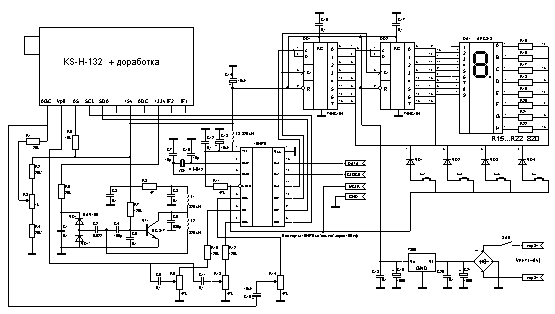
Схема генератора
В принципиальной схеме могут быть неточности – она "срисовывалась" с работающего прибора, соответственно в файле с рисунком платы ошибок нет (одна была – исправлена, это про проводок на фото).
Доработка селектора KS-H-132
Собственно именно доработка селектора каналов KS-H-132 от SELTEKA и превращает его в генератор.
Самое сложное в этом деле – это открыть корпус KS-H-132 , потому как он запаян, причем запаяны обе крышки. Если будете вскрывать – имейте ввиду что без паяльника в 60 – 100 ватт не обойтись (при вскрытии этого экземпляра использовался 100 ватный), и учтите там где всего одна пайка – это крышка со стороны катушек, а где их немеряно – это сторона печати и SMD деталей, и надо быть осторожным чтобы все это хозяйство не повредить.
Вид со стороны катушек:

Здесь надо удалить две катушки – их бывшие места отмечены красными "завитушками".
Вид со стороны SMD деталей и сделанными доработками:
С этой стороны удаляем несколько SMD деталей – эти места отмечены красными прямоугольниками, затем надо резрезать три проводника – место отмечено белым кружком и стрелкой. Затем припаять проводок – соединить выход генератора с буферным каскадом (он-же модулятор AM и регулятор уровня сигнала на выходе). И подать питание на этот самый буферный каскад с помощью сопротивления 47 ом – 75 ом . (помечен белой стрелкой) Последнее – проводок который соединит выход буфера с выходным разъемом (а раньше он был входным), места пайки помечены белыми стрелками. Этот проводок проходит со стороны катушек.
Возможно предложенная доработка не самая совершенная – есть поле для творчества.
Детали
Основная деталь устройства – селектор каналов KS-H-132 , – для того чтобы селектор каналов превратить в генератор необходимо чтобы он был сделан с использованием двух микросхем, одна – это смеситель/гетеродин (TDA5736), вторая – синтезатор частоты (TSA5522). Селекторы KS-H-144 , KS-H-146 , KS-H-148 – для этой цели не годятся. К сожалению корпус KS-H-132 (как уже сказано выше) запаян, что существенно усложняет доработку, если уважаемой публике известны аналогичные селекторы, но с легко снимаемыми крышками – просьба сообщить на адрес p-45(собака)mail.ru .
В качестве управляющего микроконтроллера используется PIC16F630 или PIC16F676 фирмы MICROCHIP , последний отличается тем что имеет 5-канальный аналого-цифровой преобразователь на борту (в данной конструкции не используется).
- Файл с прошивкой для сигнал генератора.
![]()
Краткое содержание
В данном проекте описывается создание генератора сигналов специальной формы частотой выше 10 МГц и нелинейными искажениями до 1%.
Генератор создает: синусоидальный, треугольный, пилообразный или прямоугольный (импульсный) сигнал с нелинейными искажениями до 1%, с возможностью регулирования коэффициента заполнения импульсов, частотной модуляцией, имеет ТТЛ выход и и источник напряжения смещения. Также может выполнять функцию частотомера.
Главная микросхема MAX 038 снята с производства, но все еще продается в розничной сети.
Ниже прикреплен файл с приблизительным расчетом стоимости генератора.
Изготовление печатной платы
![]()
![]()
Подготовка печатной платы для трафаретной печати (сериграфия).
В проекте необходимо использовать двухстороннюю печатную плату. Выбранный нами процесс воздействия является химическим, поэтому сначала необходимо выполнить трафаретную печать макета с помощью лазерной установки, после чего подвергнуть химической обработке.
Сначала, мы конвертируем файлы макетов печатной схемы в формат JPG. Поскольку печатная плата двухсторонняя, мы будем ее переворачивать для того, чтобы выполнить трафаретную печать на обеих сторонах, поскольку мы будем использовать лазерную установку. По этой причине печатная плата должны иметь тот же размер, что и макет, или один из размеров (в зависимости от направления, в котором переворачивается печатная плата). После обрезки печатной платы по точным размерам (также можно подогнать размер макета с печатной платой) плата покрывается черной акриловой краской с помощью краскопульта (процедуру нанесения краски нужно выполнять одним днем ранее). Печатную плату необходимо поместить в левом верхнем углу (точка 0,0 лазерной установки должна совпадать с этой точкой), поскольку при перевороте печатной платы она должна находиться в том же месте для совпадения отверстий.
Размеры макета печатной схемы: 207,5 мм X 52 мм.
Изготовление печатной платы (сериграфия)
Сериграфия.
Лазерная установка будет убирать краску в тех частях, где это необходимо, для последующего воздействия кислотой.
Параметры данного процесса для лазерной установки указаны ниже:
Скорость 60. Мощность 30. Разрешение 1200, режим – mood Raster.
Данный процесс необходимо выполнить дважды на обеих сторонах печатной платы, чтобы корректно удалить краску.
Изготовление печатной платы (удаление следов краски)
![]()
![]()
Удаление следов краски.
После предыдущей процедуры, все еще остаются следы краски и они должны быть удалены перед процессом воздействия кислотой. После вынимания платы из лазерной установки мы должны подождать, по крайней мере, один час, чтобы печатная плата стала сухой. Для этого необходимо использовать мягкий растворитель, такой как скипидар или его заменитель.
После очистки печатной платы, она должна выглядеть, как на фото выше.
Изготовление печатной платы (воздействие кислотой)
Воздействие кислотой
Для данного процесса необходимо использовать кислоту и любой другой продукт, чтобы начать реакцию и ускорить сам процесс.
Для начала необходимо посетить магазин радиотоваров. Обычно, используемая кислота – это соляная кислота, разведенная с водой, продается в супермаркетах в отделе бытовых чистящих средств (хлористоводородная кислота). Большая концентрация ускоряет весь процесс. Как указывалось ранее, кроме кислоты нам необходимо использовать катализатор реакции. Для этой цели лучше всего подходит надборнокислый натрий, который продается в магазине радиотоваров; также необходимо использовать медицинский кислород с высокой концентрацией.
Изготовление печатной платы (удаление остатков краски)
![]()
Удаление остатков краски
После обработки кислотой, необходимо удалить остатки краски, используя сильный растворитель.
Электрическая схема генератора
![]()
Сборка генератора сигналов, часть 1
![]()
Сначала необходимо просверлить печатную плату и начать припаивать компоненты. Необходимо уделять внимание тому факту, что печатная плата двухсторонняя, поэтому нужно учитывать пайку сквозных отверстий и компонентов, которые необходимо запаивать с двух сторон платы.
Размещение компонентов показано на фотографиях.
Резистор номиналом 100 кОм, микросхема chip 1 (операционный усилитель), конденсаторы, соединенные с микросхемой chip 1 и потенциометр номиналом 220 кОм, составляют схему регулировки коэффициента заполнения импульсов, которая используется для наклона импульса. Данная схема может генерировать некоторые искажения, поэтому она присоединяется к земле через перемычку SW3.(типичное положение ON-ON). Можно не использовать перемычку, но не забудьте заземлить схему.
Сборка генератора сигналов, часть 2
![]()
Конденсатор емкостью 1мкФ неполярный (смотрите объяснение схемы, в пункте 3.2.1).
Коннектор выбора диапазона подключается к поворотному переключателю, в котором вывод коннектора подсоединен к резистору номиналом 4,7 кОм, который в свою очередь подсоединен к общему выводу (A) переключателя. Данный поворотный переключатель имеет четыре положения срабатывания и одно не подключенное (для выбора высокой частоты, конденсатор 27 пФ).
Как указано в описании схемы, паразитная емкость может ограничивать полосу пропускания. В данном проекте паразитные емкости возникают вследствие использования транзисторов, подсоединенных к конденсаторам, поэтому максимальная частота достигает значения 10 МГц, однако если вы хотите увеличить данный предел необходимо отсоединить конденсатор емкостью 27 пФ или использовать конденсатор меньшего номинала, чтобы достичь полосы пропускания выше 20 МГц.
Другой коннектор предназначен для выбора типа сигнала. Мы должны установить поворотный переключатель в 3-е положение переключения. Вывод 5V подсоединяется к общему выводу поворотного переключателя (A), а выводы A0 и A1 к выводам 1 и 2, оставляя вывод 3 не подключенным.
Микросхема MAX038 не выпускается, но ее все еще можно приобрести. Не рекомендуется покупать данную микросхему напрямую в Китае, поскольку она обычно приходит неисправная, хотя дешевая.
Сборка генератора сигналов, часть 3
![]()
BNC коннектор предназначен для ТТЛ выхода.
Перемычки p1 и p2 заменяют резисторы номиналом 47 Ом, поскольку BNC коннектор уже имеет данное электрическое сопротивление.
Положительный вывод электролитического конденсатора подключается к квадратной контактной площадке. Ее положение указано на фотографии.
Потенциометр номиналом 1 кОм предназначен для контроля выходного уровня сигнала.
Голубой потенциометр номиналом 4,7 кОм контролирует усиление для того, чтобы выбрать максимальный уровень выходного сигнала.
Сборка генератора сигналов, часть 4
![]()
Перемычка SW5 переключает напряжение смещения на ноль.
Потенциометр номиналом 4,7 кОм предназначен для изменения напряжения смещения.
Перемычка p3 и операционный усилитель работают как повторитель, для того, чтобы передавать сигналы в частотомер.
Сборка генератора сигналов, часть 5
![]()
На данной фотографии показано правильное расположение операционных усилителей.
Схема источника питания

Сборка источника питания, часть 1
![]()
Макет печатной схемы имеет следующие размеры: 63,4 мм X 7,9 мм.
Сборка источника питания, часть 2
![]()
Компоненты должны размещаться так, как указано на фотографии.
Сборка источника питания, часть 3
![]()
Непомеченные провода подают напряжение питания на светодиод, который сигнализирует о том, что генератор включен.
Корпус устройства
![]()
![]()
Корпус изготавливается из фанеры толщиной 5 мм.
Дизайн выполнен в программе Rhinoceros Зои Карбахо (Zoe Carbajo).
Нанесение рисунка выполняется с помощью лазерной установки.
Также в конструкцию необходимо добавить некоторые допуски, чтобы различные части идеально состыковались. Это зависит от выбранного типа материала.
Корпус подсоединяется к кусочку самоклеющейся алюминиевой фольги (обычно используется в сантехнике) для того, чтобы подсоединить к земле металлические компоненты потенциометров и переключателей. Далее заземление подсоединяется к алюминиевой фольге через FM вход BNC коннектора.
Установка печатной платы в корпус, часть 1
![]()
Плата подсоединяется к кусочку самоклеющейся алюминиевой фольги (обычно используется в сантехнике) для того, чтобы подсоединить к земле металлические компоненты потенциометров и переключателей. Далее заземление подсоединяется к алюминиевой фольге через FM вход BNC коннектора.
Установка печатной платы в корпус, часть 2
![]()
![]()
На фотографии выше показано размещение трансформатора и коннектора для провода питания и переключателя. Два последних компонента можно взять от компьютерного блока питания
Два вывода 0В от вторичной обмотки трансформатора должны соединяться вместе, поскольку нам нужен источник питания со средней точкой. Эту точку соединения необходимо подключит к земле (средний вывод коннектора). Оплетки проводов необходимо также подсоединить к земле блока питания.

