4.2. Схемы подключения счетчиков к электрическим сетям
Все электросчетчики включаются по типовым схемам, в которых для правильной работы счетного механизма, в частности, во избежание хищения электроэнергии, необходимо соблюдать полярность выводов, а именно: зажимы, подключаемые к источнику питания, так называемые генераторные зажимы с индексом Г, на схеме должны находиться слева, а зажимы, подключаемые к цепи тока нагрузки, так называемые нагрузочные концы с индексом Н, – справа.
На рис. 1 показана типовая схема включения однофазного индукционного счетчика (тип СО).
Рис. 1. Схема включения индукционного однофазного счетчика типа СО
На рис. 2 показаны типовые схемы включения индукционных трехпроводных двухэлементных счетчиков активной энергии типов СА3 и СА3У при непосредственном включении в сеть (рис. 2, а) и при включении в сеть через ТТ и ТН (рис. 2, б).
Рис. 2. Схемы включения трехпроводных двухэлементных индукционных счетчиков активной энергии типов САЗ и САЗУ:
а – при непосредственном включении в сеть; б – при включении в сеть через ТТ и ТН. Л1 и Л2 – выводы линейных концов (соответственно, начало и конец первичной обмотки ТТ); И1 и И2 – выводы измерительных концов (соответственно, начало и конец вторичной обмотки ТТ)
На рис. 3 показаны типовые схемы включения индукционных четырехпроводных трехэлементных счетчиков активной энергии типов СА4 и СА4У при непосредственном включении в сеть (рис. 3, а) и при включении в сеть через ТТ (рис. 3, б).
Рис. 3. Схемы включения четырехпроводных трехэлементных индукционных счетчиков активной энергии типов СА4 и СА4У:
а – при непосредственном включении в сеть; б – при включении в сеть через ТТ. Л1 и Л2 – выводы линейных концов (соответственно, начало и конец первичной обмотки ТТ); И1 и И2 – выводы измерительных концов (соответственно, начало и конец вторичной обмотки ТТ)
На рис. 3, б видно, что к счетчику подходит 10 концов. Следует обратить внимание на то, что счетчик будет давать правильные показания и в том случае, если вместо 10 к нему подвести 7 концов (рис. 3, а), а именно: исключить три конца, подходящих к обмотке напряжения счетчика, за счет перемычек концов 1–2, 4–5, 7–8 и дополнительных перемычек каждой из трех фаз с соответствующими концами И1 ТТ.
Однако такое соединение недопустимо с точки зрения электробезопасности, поскольку в этом случае по вторичным цепям ТТ и токовым обмоткам счетчика будет протекать ток первичной силовой цепи, что опасно для обслуживающего персонала, может вывести из строя всю схему вторичной коммутации и повредить прибор. Кроме того, установка указанных перемычек может вызвать дополнительную погрешность в показаниях счетчика.
На рис. 4 показана схема непосредственного подключения электронного двухтарифного счетчика типа СЭТ к четырехпроводной сети трехфазного тока.
Рис. 4. Схема непосредственного подключения электронного счетчика типа СЭТ к четырехпроводной трехфазной сети:
а – схема подключения; б —схема подключения устройства переключения тарифов к счетчику
Более подробно схемы включения счетчиков рассмотрены в специальной литературе.
Каждый счетчик должен быть снабжен схемой подключения. На схемах для трехфазных счетчиков должна быть указана последовательность фаз, для которой изготовлен счетчик. Если зажимы счетчика имеют обозначения, то те же обозначения должны быть нанесены на схеме.
Видимое движение диска индукционного счетчика должно происходить слева направо. Ребро диска должно иметь отчетливо видимую отметку для визуального счета оборотов.
В соответствии с требованиями Типовой инструкции по учету электроэнергии при ее производстве, передаче и распределении (п. 9.6) система учета электроэнергии должна быть защищена от воздействия электромагнитных полей (сверх установленных техническими условиями на элементы), механических повреждений и от несанкционированного доступа.
На расчетном счетчике должны иметься два типа пломб: заводские пломбы или пломбы организации, производившей поверку – Госстандарта России (Ростехрегулирования), на креплении кожухов, не допускающие проникновение внутрь механизма счетчика, и пломбы энергоснабжающей (энергосбытовой) организации на крышке колодки зажимов, не допускающие доступа к подходящим и отходящим зажимным концам. В соответствии с требованиями ГОСТ все зажимы, находящиеся в зажимной коробке, должны закрываться крышкой, приспособленной для опломбирования независимо от кожуха счетчика. Крышка должна закрывать нижние винты крепления счетчика к щиту, а также подходящие к счетчику провода не менее чем на 25 мм.
В соответствии с требованиями ПТЭЭП энергоснабжающая организация должна пломбировать:
клеммники переходных коробок, где имеются цепи к электросчетчикам;
токовые цепи расчетных счетчиков в случае, когда к ТТ совместно со счетчиками присоединены электроизмерительные приборы и устройства защиты;
испытательные коробки с зажимами для шунтирования вторичных обмоток ТТ и места соединения цепей напряжения при отключении расчетных счетчиков для их замены или поверки;
решетки и дверцы камер, где установлены счетчики;
решетки или дверцы камер, где установлены предохранители на стороне высокого и низкого напряжения ТН, к которым присоединены расчетные счетчики;
приспособления на рукоятках приводов разъединителей ТН, к которым присоединены расчетные счетчики.
Во вторичных цепях ТН, к которым присоединены расчетные счетчики, установка предохранителей без контроля их целостности с действием на сигнал не допускается.
В дополнение к указанным пломбам с целью повышения защищенности счетчиков от несанкционированного доступа применяется их маркирование специальными знаками визуального контроля, что предписано постановлением Правительства РФ от 27.12.1997 г. № 1619 «О ревизии средств учета электрической энергии и маркировании их специальными знаками визуального контроля». Несмотря на то, что выпуск таких спецзнаков для маркирования практически уже налажен, их применение в распределительных сетях потребителей электроэнергии крайне ограничено.
Ревизия средств учета электрической энергии, используемых для расчетов с юридическими лицами, производится при осуществлении периодических проверок органами Ростехнадзора, представителями Госстандарта России (Ростехрегулирования) и энергосбытовых организаций. Полный объем результатов ревизий отражается в соответствующем акте о проведении ревизии и маркировании средств учета электрической энергии по форме, приведенной в прил. 2.
В упомянутом постановлении Правительства РФ указано, что ответственными за установку на средства учета электрической энергии специальных знаков визуального контроля являются организации, осуществляющие поставку (сбыт) электрической энергии потребителям – юридическим лицам, и территориальные органы государственного энергетического надзора.

Блог посвящен вопросам эксплуатации счетчиков электроэнергии Меркурий и другой продукции ООО "НПК Инкотекс" и партнеров. Интересующие вопросы можно задать по электронной почте mail@incotexcom.ru, либо по контактным телефонам: (831) 466-63-55; (831)466-89-48
пятница, 2 августа 2019 г.
Схемы включения счётчика Меркурий 234

В статье представлены схемы:
- Трёхэлементного непосредственного включения
- Двухэлементного непосредственного включения
- Полукосвенного включения с тремя ТТ
- Полукосвенного включения с двумя ТТ
- Полукосвенного двухэлементного включения
- Косвенного включения два ТН , три ТТ
- Косвенного включения три ТН , два ТТ
- Косвенного включения три ТН , три ТТ
- Косвенного включения с заземлённой фазой B
- Косвенного двухэлементного включения
- Косвенного включения три ТН (треугольник), три ТТ
Счётчики Меркурий 234 выпускаются в модификациях предназначенных для:
- прямого включения (модификация 01 и 02 счётчика);
- полукосвенного включения (модификация 03);
- косвенного включения (модификация 00).
Модификации отличаются классом точности и величиной стартового тока.
Стартовый ток:
- Меркурий 234 ART(M) – 01 : 20 мА
- Меркурий 234 ART(M) – 02 : 20 мА
- Меркурий 234 ART(M) – 03 : 5 мА
- Меркурий 234 ART(M) – 00 : 5 мА
Модификации также отличаются наличием предустановленных на заводе перемычек между цепями измерения тока и цепями измерения напряжения. Перемычки реализованы с использованием винтов М3. Место расположения перемычек указано на Рис 1 под номерами 1,2 и 3.
Установка данных винтов на счётчиках трансформаторного включения запрещена.
Расчёт счётчиком активной мощности производится по формуле:
Схемы непосредственного включения счётчиков модификаций 01 и 02 в сеть 3*230/400 В
Непосредственное включение счётчика по приведённым схемам может быть произведено только с обязательным подключением нулевого проводника (в разрыв либо нет). Подключение без нулевого проводника не допускается по причине возможного в этом случае влияния внутренних схем счётчика на учёт.
СХЕМЫ ВКЛЮЧЕНИЯ СЧЕТЧИКОВ ЭЛЕКТРИЧЕСКОЙ ЭНЕРГИИ
«Издательство НЦ ЭНАС»
1. УСЛОВНЫЕ ОБОЗНАЧЕНИЯ ЭЛЕКТРИЧЕСКИХ ПАРАМЕТРОВ
2. ОСНОВНЫЕ ПОНЯТИЯ, ТЕРМИНЫ И ОПРЕДЕЛЕНИЯ
3.СПРАВОЧНЫЕ ДАННЫЕ СЧЕТЧИКОВ
4. ИНДУКЦИОННЫЙ ИЗМЕРИТЕЛЬНЫЙ МЕХАНИЗМ
5. ИЗМЕРЕНИЯ ЭНЕРГИИ ЭЛЕКТРОННЫМИ СЧЕТЧИКАМИ
6.ТОЧНОСТЬ ИЗМЕРЕНИЙ ЭЛЕКТРИЧЕСКОЙ ЭНЕРГИИ СЧЕТЧИКОМ
7. СХЕМЫ ВКЛЮЧЕНИЯ ОДНОФАЗНЫХ СЧЕТЧИКОВ
8. СХЕМЫ ВКЛЮЧЕНИЯ ТРЕХФАЗНЫХ СЧЕТЧИКОВ В ЭЛЕКТРОУСТАНОВКАХ НАПРЯЖЕНИЕМ 380/220 В
9. ПРОВЕРКА СХЕМ ВКЛЮЧЕНИЯ ТРЕХФАЗНЫХ СЧЕТЧИКОВ В ЭЛЕКТРОУСТАНОВКАХ НАПРЯЖЕНИЕМ 380/220 В
10. СХЕМЫ ВКЛЮЧЕНИЯ ТРЕХФАЗНЫХ СЧЕТЧИКОВ В ЭЛЕКТРОУСТАНОВКАХ НАПРЯЖЕНИЕМ ВЫШЕ 1000 В
11. ОБЕСПЕЧЕНИЕ ТРЕБУЕМОЙ ТОЧНОСТИ ИЗМЕРЕНИЙ ЭЛЕКТРИЧЕСКОЙ ЭНЕРГИИ
12. МЕРЫ БЕЗОПАСНОСТИ ПРИ ЭКСПЛУАТАЦИИ СЧЕТЧИКОВ ЭЛЕКТРИЧЕСКОЙ ЭНЕРГИИ В ЭЛЕКТРОУСТАНОВКАХ НАПРЯЖЕНИЕМ 380/220 В
Приложение 1. Таблица тригонометрических величин
Приложение 2. Основные технические данные трансформаторов напряжения отечественного производства [10]
Приложение 3. Потребление мощности счетчиками, ваттметрами, варметрами, амперметрами, вольтметрами и преобразователями телеизмерений (17)
Приложение 4. Пределы допустимых погрешностей трансформаторов тока [4]
Рассмотрены различные схемы включения счетчиков электрической энергии, применяемых на энергообъектах. Показаны примеры негативных последствий от неправильного подключения счетчиков. Приведены результаты экспериментального определения погрешностей счетчиков и трансформаторов тока. Даны практические рекомендации по проверке схем подключения счетчиков, по порядку их замены и др.
Для специалистов метрологических служб, энергосбыта и электроцехов. Может быть рекомендовано специалистам Госстандарта России, инспекторам по энергетическому надзору, ответственным за электрохозяйство потребителей электроэнергии.



φ – угол фазового сдвига между током и фазным напряжением;
cosφ – коэффициент мощности нагрузки;
P1Ф – активная мощность однофазной сети;
P3Ф – активная мощность трехфазной сети;
W – активная энергия;
Q – реактивная энергия;
И1, И2 – вторичная обмотка измерительного трансформатора тока (далее – ТТ);
Л1, Л2 – первичная обмотка ТТ;
ω – угловая частота;
Т – период колебаний;
δс – погрешность измерений электрической энергии счетчиком.
Счетчик электрической энергии – интегрирующий по времени прибор, измеряющий активную и (или) реактивную энергию (далее -счетчик).
Активная мощность – количество активной энергии, потребляемое за единицу времени
.
Активная мощность, измеряемая счетчиком, определяется выражениями:
для однофазного счетчика, Вт

для трехфазного двухэлементного счетчика, Вт

для трехфазного трехэлементного счетчика в четырехпроводной сети, Вт

Реактивная мощность -количество электрической энергии, циркулирующей в единицу времени, между генератором и магнитным полем приемника (трансформатора, электродвигателя). При этом происходит периодический (колебательный) обмен энергии без преобразования ее в тепловую, механическую или иную.
Реактивная мощность, измеряемая счетчиком реактивной энергии, определяется выражением, вар

Загрузка реактивной мощностью линий и трансформаторов уменьшает пропускную способность сети и не позволяет полностью использовать установленную мощность генератора.
Угол фазового сдвига – фазовый сдвиг между электрическим напряжением и током, град. При индуктивном характере нагрузки ток по фазе отстает от напряжения (рис. 1).
При емкостном характере нагрузки ток по фазе опережает напряжение.
Вектор – условное графическое изображение параметра по значению и направлению.
Векторная диаграмма – условное графическое изображение векторов тока и напряжения.
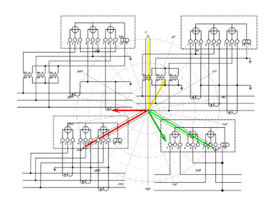
На рис. 2 изображено положение векторов токов и напряжений в трехфазной сети.
Порядок чередования фаз напряжений – может быть прямым или обратным. Определяется фазоуказателем И517М или прибором ВАФ-85 на колодке зажимов счетчика. Прямой порядок чередования фаз напряжений – ABC, BCA, CAB (по часовой стрелке, рис. 3).
Обратный порядок чередования фаз напряжений – АСВ, СВА, ВАС, создает дополнительную погрешность и вызывает самоход индукционного счетчика активной энергии. Счетчик реактивной энергии при обратном порядке чередования фаз напряжений и нагрузки вращается в обратную сторону.
Обозначение класса точности счетчика – число, равное пределу допускаемой погрешности, выраженной в процентах, для всех значений диапазона измерений тока от минимального до максимального значения, коэффициенте мощности, равном единице, при нормальных условиях, установленных стандартами или техническими условиями на счетчик. На щитке счетчика обозначается цифрой в круге, например
.
Самоход счетчика – движение диска или мигание индикаторов счетчика под действием приложенного напряжения и при отсутствии тока в последовательных цепях.
Порог чувствительности счетчика – наименьшее нормируемое значение тока, которое вызывает изменение показаний счетного механизма при номинальных значениях напряжения, частоты и cosφ = l.
Полярность трансформатора тока (ТТ). Однополярными зажимами измерительных трансформаторов называют зажимы первичной и вторичной обмоток, намотанных на сердечник (керн) в одном направлении. Обратная полярность – изменение направления тока в первичной или вторичной обмотках ТТ. Изменение направления тока в токовой цепи измерительного элемента счетчика равноценно изменению угла фазового сдвига на 180°, что вызывает отрицательный вращающий момент (рис. 4 – рис. 6).

Рис. 1. Мгновенные значения тока и напряжения с углом сдвига фаз φ


Рис. 2. Векторная диаграмма токов и напряжений в трехфазной сети
Рис. 3. Прямой порядок чередования фаз напряжений
Правильная полярность подключения обмоток ТТ и токовой цепи измерительного элемента счетчика показана на рис. 7.
Внутренний угол счетчика – угол фазового сдвига между магнитным потоком напряжения Ф U и магнитным потоком токовой цепи Ф1, измерительного элемента. Для индукционного счетчика активной энергии – равен 90°.



Рис. 4. Обратная полярность включения токовой цепи счетчика и вторичной обмотки ТТ, выполненная соединительными проводами
Рис. 5. Обратная полярность включения токовой цепи счетчика по вторичной обмотке ТТ
Рис. 6. Обратная полярность включения токовой цепи счетчика по первичной обмотке ТТ

Рис. 7. Полярность подключения обмоток ТТ и токовой цепи счетчика:
Л1Л2 – линия; И1И2 – измерение
Некоторые типы счетчиков, применяемых на энергообъектах ОАО «Тверьэнерго», и их технические характеристики приведены в табл. 1.

